2 在MPLAB中建立PIC单片机源程序
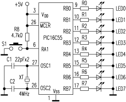
笔者将以附图的PIC16C55脉冲计数试验电路(计数时,RA1口为十进制码输入,RB口为二进制码输出)的源程序PIC count.ASM为例,介绍在MPLAB集成开发环境下编辑(建立)PIC单片机源程序的方法。其操作步骤如下。
(1)打开MPLAB桌面(窗口)和空白编辑窗口 开启PC机,启动运行Windows,在Windows的管理程序下,用鼠标点击显示屏上的图标Microchip(快捷),即可启动运行MPLAB集成开发软件,此时屏幕上将显示MPLAB的桌面(见今年第25期本版的《源程序的汇编和固化(一)》文中的附图)。从已打开的MPLAB的桌面(窗口)上,用鼠标点击MPLAB菜单栏中最左边的File(文件),即可打开File的下拉菜单,再用鼠标点击下拉菜单中的命令New
Source(新建源程序),即可打开一个空白的编辑窗口,在此窗口中用键盘键入PIC 16C55 COUNTASM源程序再对其进行编辑(以MPLAB
V301版为例):
LIST P=16C55
#INCLUDE P16C5XINC
COUNT EQU 1EH
ORG 0
START
MOVLW 0
MOVWF PORTB ;设置B口为输出
TRIS PORTB
CLRF COUNT ;置计数器COUNT为零
LOOP
BTFSS PORTA,1;判断开关K按下否?
GOTO INCOUNT;按下开关K,跳转执行IN-
;COUNT
ENDLOOP
GOTO LOOP ;开关未按下,继续循环
;判断
INCOUNT
INCF COUNT,1 ;计数器COUNT+1
MOVF COUNT,W
MOVWF PORTB ;从B口输出计数值
DEBOUNCE
BTFSS PORTA,1 ;判断开关K释放否?
GOTO DEBOUNCE ;没有释放继续判断
GOTO LOOP ;开关K释放重新开始
ORG 0x1FF ;复位向量
GOTO START
END
说明:在MPLAB集成开发环境下建立源程序时,其源程序文件的开始应使用伪指令List(列表选择指令)指示符,指定处理的类型(对象)。所以,上述的源程序的开始处为List
P=16C55。其中的“P=”是处理类型,代表设置微控制器为16C55(芯片)。接着又用了伪指令#include P16C5XINC,代表MPLAB应把要处理(类型)的微控器F16C55的所有已设置的文件,在需要时就读入这里的源程序中。这条伪指令就为源程序中的代码设置大为简化,例如PORTB、TRIS以及其它特殊功能寄存器,就不再用EQU伪指令给它们赋值了。
源程序中紧接着上面的伪指令为ORG,代表存放程序的起始地址。所以在一个源程序中,可以根据需要多次使用ORG伪指令定位。在上述的源程序中,使用了两次ORG
。值得注意,在PIC系列单片机中,对初级产品PIC16C54/55的复位向量为1FFH;PIC16C56为3FFH;PIC16C57/58为7FF;对中级和高级产品的复位向量为000H和0000H。由此可见在建立PIC单片机源程序时,使用一些伪指令是很有必要的,用它可以为建立源程序完成一些特定功能,使编制的源程序大大简化。源程序后面的各条指令功能均已在注释中给了说明,这里不再复述。
成都 丁锦源
知识竞赛试题:
27若将上文中的源程序PIC16C55ASM移植成PIC16F84 COUNTASM,文中编辑的源程序应作何修改?