30. 四位数数字温度计

1. 温度传感器AD590基本知识

AD590产生的电流与绝对温度成正比,它可接收的工作电压为4V-30V,检测的温度范围为-55℃-+150℃,它有非常好的线性输出性能,温度每增加1℃,其电流增加1uA。

AD590温度与电流的关系如下表所示

摄氏温度

AD590电流

经10KΩ电压

0℃

273.2 uA

2.732V

10℃

283.2 uA

2.832 V

20℃

293.2 uA

2.932 V

30℃

303.2 uA

3.032 V

40℃

313.2 uA

3.132 V

50℃

323.2 uA

3.232 V

60℃

333.2 uA

3.332 V

100℃

373.2 uA

3.732 V

AD590引脚图 

2. 实验任务

利用AD590温度传感器完成温度的测量,把转换的温度值的模拟量送入ADC0809的其中一个通道进行A/D转换,将转换的结果进行温度值变换之后送入数码管显示。

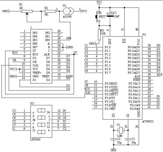
3. 电路原理图

图4.30.1

4. 系统板上硬件连线

(1). 把“单片机系统”区域中的P1.0-P1.7与“动态数码显示”区域中的ABCDEFGH端口用8芯排线连接。

(2). 把“单片机系统”区域中的P2.0-P2.7与“动态数码显示”区域中的S1S2S3S4S5S6S7S8端口用8芯排线连接。

(3). 把“单片机系统”区域中的P3.0与“模数转换模块”区域中的ST端子用导线相连接。

(4). 把“单片机系统”区域中的P3.1与“模数转换模块”区域中的OE端子用导线相连接。

(5). 把“单片机系统”区域中的P3.2与“模数转换模块”区域中的EOC端子用导线相连接。

(6). 把“单片机系统”区域中的P3.3与“模数转换模块”区域中的CLK端子用导线相连接。

(7). 把“模数转换模块”区域中的A2A1A0端子用导线连接到“电源模块”区域中的GND端子上。

(8). 把“模数转换模块”区域中的IN0端子用导线连接到自制的AD590电路上。

(9). 把“单片机系统”区域中的P0.0-P0.7用8芯排线连接到“模数转换模块”区域中的D0D1D2D3D4D5D6D7端子上。

5. 程序设计内容

(1). ADC0809的CLK信号由单片机的P3.3管脚提供

(2). 由于AD590的温度变化范围在-55℃-+150℃之间,经过10KΩ之后采样到的电压变化在2.182V-4.232V之间,不超过5V电压所表示的范围,因此参考电压取电源电压VCC,(实测VCC=4.70V)。由此可计算出经过A/D转换之后的摄氏温度显示的数据为:

如果(D*2350/128)<2732,则显示的温度值为-(2732-(D*2350/128))

如果(D*2350/128)≥2732,则显示的温度值为+((D*2350/128)-2732)

6. 汇编源程序
(略)
7.C语言源程序
#include <AT89X52.H>
#include <ctype.h>

unsigned char code dispbitcode[]={0xfe,0xfd,0xfb,0xf7,
0xef,0xdf,0xbf,0x7f};
unsigned char code dispcode[]={0x3f,0x06,0x5b,0x4f,0x66,
0x6d,0x7d,0x07,0x7f,0x6f,0x00,0x40};
unsigned char dispbuf[8]={10,10,10,10,10,10,0,0};
unsigned char dispcount;
unsigned char getdata;
unsigned long temp;
unsigned char i;
bit sflag;

sbit ST=P3^0;
sbit OE=P3^1;
sbit EOC=P3^2;
sbit CLK=P3^3;
sbit LED1=P3^6;
sbit LED2=P3^7;
sbit SPK=P3^5;


void main(void)
{
ST=0;
OE=0;
TMOD=0x12;
TH0=0x216;
TL0=0x216;
TH1=(65536-4000)/256;
TL1=(65536-4000)%256;
TR1=1;
TR0=1;
ET0=1;
ET1=1;
EA=1;
ST=1;
ST=0;
getdata=148;
while(1)
{
;
}
}

void t0(void) interrupt 1 using 0
{
CLK=~CLK;
}

void t1(void) interrupt 3 using 0
{

TH1=(65536-4000)/256;
TL1=(65536-4000)%256;

if(EOC==1)
{
OE=1;
getdata=P0;
OE=0;
temp=(getdata*2350);
temp=temp/128;
if(temp<2732)
{
temp=2732-temp;
sflag=1;
}
else
{
temp=temp-2732;
sflag=0;
}
i=3;
dispbuf[0]=10;
dispbuf[1]=10;
dispbuf[2]=10;
if(sflag==1)
{
dispbuf[7]=11;
}
else
{
dispbuf[7]=10;
}
dispbuf[3]=0;
dispbuf[4]=0;
dispbuf[5]=0;
dispbuf[6]=0;
while(temp/10)
{
dispbuf[i]=temp%10;
temp=temp/10;
i++;
}
dispbuf[i]=temp;
ST=1;
ST=0;
}

P1=dispcode[dispbuf[dispcount]];
P2=dispbitcode[dispcount];
dispcount++;
if(dispcount==8)
{
dispcount=0;
}
}


以上资料来自于互联网!编辑整理:五一电子加油站;网址:http://51dz.com
欢迎光临五一电子商城!免费学习电子技术,面向全国邮购电子元件、实验套件!