| 注意:访问本站需要Cookie和JavaScript支持!请设置您的浏览器! • 打开购物车 • 查看留言 • 付款方式 • 联系我们 |
![]() |
| 首页 | 电子入门 | 学单片机 | 免费资源 | 下载中心 | 商品列表 | 象棋在线 | 在线绘图 | 加盟五一 | 加入收藏 | 设为首页 |
| 选择分类:当前分类——学单片机 相关联或者相类似的文章: 电子线路中的噪声(511) BA1404调频立体声发射芯片的原理与应用(511) BA1404/1404F 调频立体声发射电路(511) 健忘(510) 用PROTEL DXP电路板设计的一般原则(510) 业余条件下制作电路板七种方法(509) 电子元器件基本常识:常见的液晶显示器(509) 电热毯自动保护恒温器(509) 10. 00-99计数器(509) 利用TL431作大功率可调稳压电源(509) 数字化的优点(508) 也能称为“公益事业”(508) 半导体二极管的基本知识(508) 婚前婚后(508) 什么是闪存和缓存(508) BH1417的高保真锁相环调频立体声发射模块(508) 实用电工速算口诀集(507) 怎样用多个开关控制一盏灯(507) 密封铅酸蓄电池充电器设计实例(506) 浅谈干簧管的应用(506) 首页 前页 后页 尾页 本站推荐: | 24. 8X8 LED点阵显示技术 1. 实验任务
在8X8 LED点阵上显示柱形,让其先从左到右平滑移动三次,其次从右到左平滑移动三次,再次从上到下平滑移动三次,最后从下到上平滑移动三次,如此循环下去。
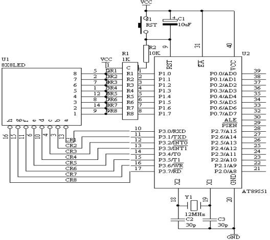
2. 电路原理图
![]() 图4.24.1
3. 硬件电路连线
(1). 把“单片机系统”区域中的P1端口用8芯排芯连接到“点阵模块”区域中的“DR1-DR8”端口上;
(2). 把“单片机系统”区域中的P3端口用8芯排芯连接到“点阵模块”区域中的“DC1-DC8”端口上;
4. 程序设计内容
(1). 8X8 点阵LED工作原理说明
8X8点阵LED结构如下图所示
从图4.24.2中可以看出,8X8点阵共需要64个发光二极管组成,且每个发光二极管是放置在行线和列线的交叉点上,当对应的某一列置1电平,某一行置0电平,则相应的二极管就亮;因此要实现一根柱形的亮法,如图49所示,对应的一列为一根竖柱,或者对应的一行为一根横柱,因此实现柱的亮的方法如下所述:
一根竖柱:对应的列置1,而行则采用扫描的方法来实现。
一根横柱:对应的行置0,而列则采用扫描的方法来实现。
5. 汇编源程序
ORG 00H
START: NOP
MOV R3,#3
LOP2: MOV R4,#8
MOV R2,#0
LOP1: MOV P1,#0FFH
MOV DPTR,#TABA
MOV A,R2
MOVC A,@A+DPTR
MOV P3,A
INC R2
LCALL DELAY
DJNZ R4,LOP1
DJNZ R3,LOP2
MOV R3,#3
LOP4: MOV R4,#8
MOV R2,#7
LOP3: MOV P1,#0FFH
MOV DPTR,#TABA
MOV A,R2
MOVC A,@A+DPTR
MOV P3,A
DEC R2
LCALL DELAY
DJNZ R4,LOP3
DJNZ R3,LOP4
MOV R3,#3
LOP6: MOV R4,#8
MOV R2,#0
LOP5: MOV P3,#00H
MOV DPTR,#TABB
MOV A,R2
MOVC A,@A+DPTR
MOV P1,A
INC R2
LCALL DELAY
DJNZ R4,LOP5
DJNZ R3,LOP6
MOV R3,#3
LOP8: MOV R4,#8
MOV R2,#7
LOP7: MOV P3,#00H
MOV DPTR,#TABB
MOV A,R2
MOVC A,@A+DPTR
MOV P1,A
DEC R2
LCALL DELAY
DJNZ R4,LOP7
DJNZ R3,LOP8
LJMP START
DELAY: MOV R5,#10
D2: MOV R6,#20
D1: MOV R7,#248
DJNZ R7,$
DJNZ R6,D1
DJNZ R5,D2
RET
TABA: DB 0FEH,0FDH,0FBH,0F7H,0EFH,0DFH,0BFH,07FH
TABB: DB 01H,02H,04H,08H,10H,20H,40H,80H
END
6. C语言源程序
#include <AT89X52.H>
unsigned char code taba[]={0xfe,0xfd,0xfb,0xf7,0xef,0xdf,0xbf,0x7f};
unsigned char code tabb[]={0x01,0x02,0x04,0x08,0x10,0x20,0x40,0x80};
void delay(void)
{
unsigned char i,j;
for(i=10;i>0;i--)
for(j=248;j>0;j--);
}
void delay1(void)
{
unsigned char i,j,k;
for(k=10;k>0;k--)
for(i=20;i>0;i--)
for(j=248;j>0;j--);
}
void main(void)
{
unsigned char i,j;
while(1)
{
for(j=0;j<3;j++) //from left to right 3 time
{
for(i=0;i<8;i++)
{
P3=taba[i];
P1=0xff;
delay1();
}
}
for(j=0;j<3;j++) //from right to left 3 time
{
for(i=0;i<8;i++)
{
P3=taba[7-i];
P1=0xff;
delay1();
}
}
for(j=0;j<3;j++) //from top to bottom 3 time
{
for(i=0;i<8;i++)
{
P3=0x00;
P1=tabb[7-i];
delay1();
}
}
for(j=0;j<3;j++) //from bottom to top 3 time
{
for(i=0;i<8;i++)
{
P3=0x00;
P1=tabb[i];
delay1();
}
}
}
} 1、 本站不保证以上观点正确,就算是本站原创作品,本站也不保证内容正确。 2、如果您拥有本文版权,并且不想在本站转载,请书面通知本站立即删除并且向您公开道歉! |
|
本站协议 |
版权信息 |
关于我们 |
本站地图 |
营业执照 |
发票说明 |
付款方式 |
联系方式
深圳市宝安区西乡五壹电子商行——粤ICP备16073394号-1;地址:深圳西乡河西四坊183号;邮编:518102 E-mail:51dz$163.com($改为@);Tel:(0755)27947428 工作时间:9:30-12:00和13:30-17:30和18:30-20:30,无人接听时可以再打手机13537585389 |