| 注意:访问本站需要Cookie和JavaScript支持!请设置您的浏览器! • 打开购物车 • 查看留言 • 付款方式 • 联系我们 |
![]() |
| 首页 | 电子入门 | 学单片机 | 免费资源 | 下载中心 | 商品列表 | 象棋在线 | 在线绘图 | 加盟五一 | 加入收藏 | 设为首页 |
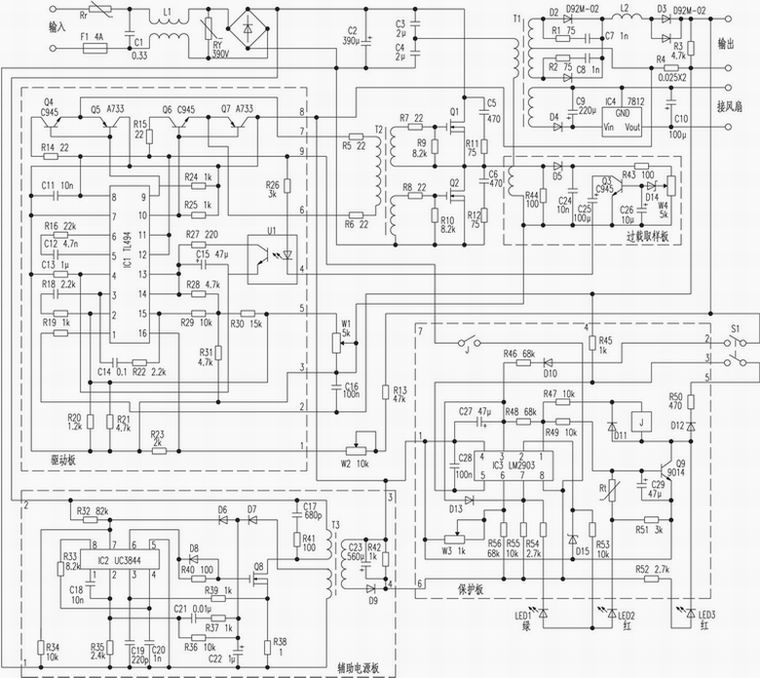
| 选择分类:当前分类——常用资料 相关联或者相类似的文章: 78XX79XX三稳压管脚排列(626) 优秀的CXA1238收音集成电路(625) 可以自动稳压的逆变器电路(624) 常用电机与控制—伺服电动机(623) 适合万用表使用的直流升压器(618) 印制电路词汇(614) 基于USB总线的数控雕刻机控制系统设计(614) 常用电机与控制—步进电机(601) 步进电机程序控制(600) 铅酸蓄电池的维护技术(596) 实时时钟电路DS1302的原理及应用(594) 有谁用过DS1302时钟芯片(593) 62.4V/10A充电机原理剖析(589) 运算放大器型号简介(589) 555时基电路原理以及应用(587) 多功能单相400Hz逆变电源(587) 一种低压单管逆变电路(584) 常用电源电路资料 (583) ++ 简易无绳电话后备电源装置 (579) PM60系列智能语音集成电路(575) 首页 前页 后页 尾页 本站推荐: | 62.4V/10A充电机原理剖析
1、 本站不保证以上观点正确,就算是本站原创作品,本站也不保证内容正确。 2、如果您拥有本文版权,并且不想在本站转载,请书面通知本站立即删除并且向您公开道歉! |
|
本站协议 |
版权信息 |
关于我们 |
本站地图 |
营业执照 |
发票说明 |
付款方式 |
联系方式
深圳市宝安区西乡五壹电子商行——粤ICP备16073394号-1;地址:深圳西乡河西四坊183号;邮编:518102 E-mail:51dz$163.com($改为@);Tel:(0755)27947428 工作时间:9:30-12:00和13:30-17:30和18:30-20:30,无人接听时可以再打手机13537585389 |