注意:访问本站需要Cookie和JavaScript支持!请设置您的浏览器! 打开购物车 查看留言付款方式联系我们
初中电子 单片机教材一 单片机教材二
搜索上次看见的商品或文章:
商品名、介绍 文章名、内容
首页 电子入门 学单片机 免费资源 下载中心 商品列表 象棋在线 在线绘图 加盟五一 加入收藏 设为首页
本站推荐:
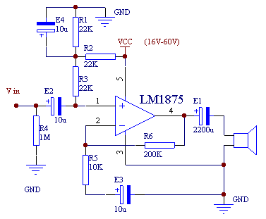
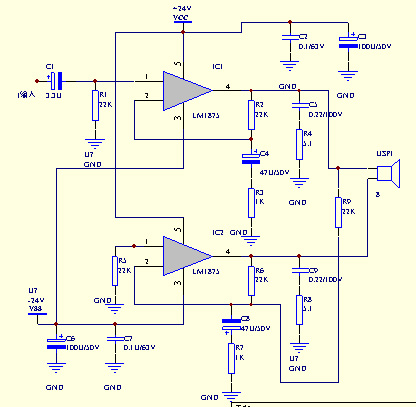
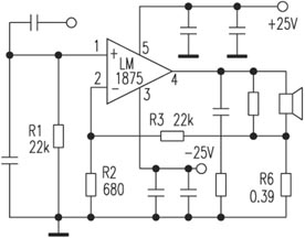
LM1875的应用
文章长度[860] 加入时间[2006/7/1] 更新时间[2026/3/9 22:36:42] 级别[3] [评论] [收藏]

    LM1875是一高质量的音响放大器,它可以为4欧姆的负载提供25W的输出功率。当使用单电源供电时,它能向4欧姆的负载提供20W的功率。并且只产生0.015%的失真。


    它为TO-220封装,1脚‘+’输入,2脚‘-’输入,3脚‘地’,4脚‘输出’,5脚电源‘+’。


    注意采用双电源供电时,必需使用绝缘垫。





1、 本站不保证以上观点正确,就算是本站原创作品,本站也不保证内容正确。
2、如果您拥有本文版权,并且不想在本站转载,请书面通知本站立即删除并且向您公开道歉! 以上可能是本站收集或者转载的文章,本站可能没有文章中的元件或产品,如果您需要类似的商品请 点这里查看商品列表!
本站协议 | 版权信息 |  关于我们 |  本站地图 |  营业执照 |  发票说明 |  付款方式 |  联系方式
深圳市宝安区西乡五壹电子商行——粤ICP备16073394号-1;地址:深圳西乡河西四坊183号;邮编:518102
E-mail:51dz$163.com($改为@);Tel:(0755)27947428
工作时间:9:30-12:00和13:30-17:30和18:30-20:30,无人接听时可以再打手机13537585389