注意:访问本站需要Cookie和JavaScript支持!请设置您的浏览器! 打开购物车 查看留言付款方式联系我们
初中电子 单片机教材一 单片机教材二
搜索上次看见的商品或文章:
商品名、介绍 文章名、内容
首页 电子入门 学单片机 免费资源 下载中心 商品列表 象棋在线 在线绘图 加盟五一 加入收藏 设为首页
本站推荐:
光耦CRT的简易测试
文章长度[780] 加入时间[2006/7/1] 更新时间[2026/5/4 7:26:26] 级别[3] [评论] [收藏]


2003年,第2期,类别:电子制作


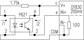
    本文介绍的测试方法可直接测试光电耦合器的重要参数——电流传输比CRT。
    测试电路见图。万用表(以DT830为例)拨至测NPN管挡,在hFE插口的c孔上有2.8V的电压,e孔在表内接200mV测试挡的输入端,e孔与地COM之间接有一个10Ω的电阻。如图接好所测光电耦合器(以P621为例)后,光耦的①、②脚间电压约为1V,流过发光二极管的电流i1约1mA。流过光敏管的电流i2在10Ω电阻上产生压降,量程为200mV的电压表所测的电压就是10Ω电阻上的电压,10Ω电阻起I-V转换的作用。
    万用表在测hFE时,等效量程为200mV但无小数点的电压表,这时显示值的1个单位代表0.1mV。如在LCD上的读数是1000,则表示10Ω电阻上的电压是1000×0.1=100mV,同时可推知i2=100/10=10mA。
    光电耦合器的电流传输比CRT的定义是CRT=i2/i1×100%,将i1、i2的数据代入,得CRT=10/1×100%,=1000%,数值上与LCD的读数相同,说明此法可直接测得光耦的CRT。

                                    山东  李秀萍



 

1、 本站不保证以上观点正确,就算是本站原创作品,本站也不保证内容正确。
2、如果您拥有本文版权,并且不想在本站转载,请书面通知本站立即删除并且向您公开道歉! 以上可能是本站收集或者转载的文章,本站可能没有文章中的元件或产品,如果您需要类似的商品请 点这里查看商品列表!
本站协议 | 版权信息 |  关于我们 |  本站地图 |  营业执照 |  发票说明 |  付款方式 |  联系方式
深圳市宝安区西乡五壹电子商行——粤ICP备16073394号-1;地址:深圳西乡河西四坊183号;邮编:518102
E-mail:51dz$163.com($改为@);Tel:(0755)27947428
工作时间:9:30-12:00和13:30-17:30和18:30-20:30,无人接听时可以再打手机13537585389