注意:访问本站需要Cookie和JavaScript支持!请设置您的浏览器! 打开购物车 查看留言付款方式联系我们
初中电子 单片机教材一 单片机教材二
搜索上次看见的商品或文章:
商品名、介绍 文章名、内容
首页 电子入门 学单片机 免费资源 下载中心 商品列表 象棋在线 在线绘图 加盟五一 加入收藏 设为首页
本站推荐:
自制PIC16F84单片机学习套件
文章长度[1560] 加入时间[2006/7/1] 更新时间[2026/5/4 0:27:49] 级别[3] [评论] [收藏]

自制PIC16F84单片机学习套件
2003年,第3期,类别:智能电子


    PIC16F84是初学者学习单片机的最佳选择之一。除了具有低电压、低功耗、高速度、指令少、可反复擦写等优点外,学习,开发系统不需要花数百元去购买,稍有一点基础都可以自己设计制作也是其一大特点。
    PIC16F84的I/O口较少,以往介绍的PIC16F84多用LED数码管作显示输出,实际上使用LCD液晶显示能充分发挥PIC16F84低电压、低功耗的特点,以此基础很容易开发出比较实用的产品来。并且LCD的驱动电流极小,不必担心因I/O口过流而损坏芯片,这对初学者来说也非常重要。本文介绍采用液晶显示器的学习套件的制作及编程方法。
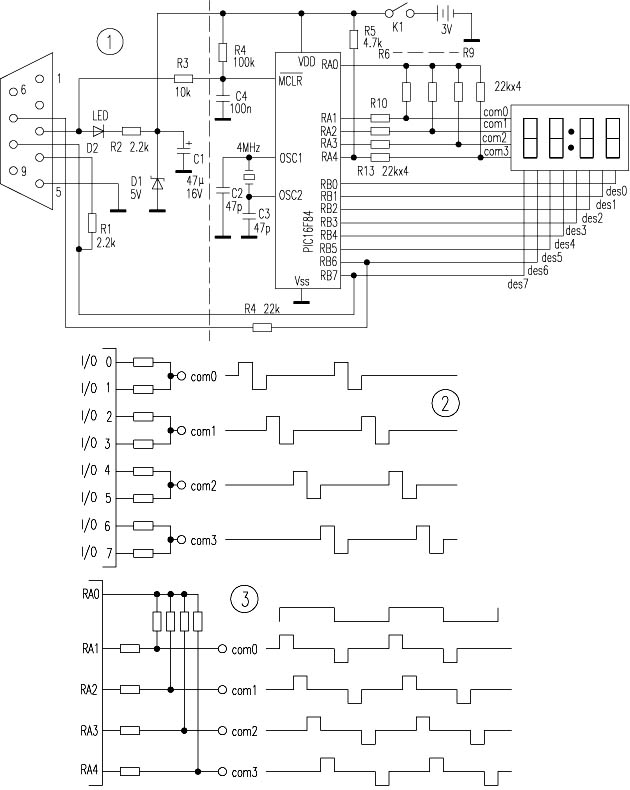
    图1右半部分为驱动四位LCD电路图。笔者使用的四com(LD公共端)的LCD显示屏,即早期CD随身听上带引脚的液晶显示屏(只使用其中4位),焊接较方便,也可用四com的LCD数码显示屏。如采用三com的LCD显示屏只能显示三位数字,常见的廉价8位计算器大多是三com的;如果采用电子表上的显示屏,就只能显示两位数字。
    工作原理
    1. LCD液晶显示器的工作原理。 常见的LCD驱动原理如图2。要在一个com上输出三种电平,即Vcc、1/2Vcc、0,需要2个I/O口,如果有四个com,就需要占用8个I/O口,一个八段数字符需要2个I/O口,这样PIC16F84的13个I/O口只能显示2位半数字。本文采用图3所示的驱动方法,四个com只需5个I/O口即A口,因RA4为开集输出,故需接一集电极电阻,剩下的8个I/O口即B口可显示4位数字字符。
    2. 编程电路的工作原理。 PIC16F84可在线编程。图1左半部分为典型的串行编程电路,且已经做到最简化,只要连接无误,就能正常工作。如果没有串口连接电缆,可用串口鼠标线替代。因鼠标连线只有四芯,需将R1焊接在串口插头内。
    3. 编程原理。 当RA0为低电平时,向RA1、RA2、RA3、RA4分别输出一次低电平,再向B口显示对应的LCD笔段输出高电平,接着在RA0为高电平时,只需将上面的显示数据取反,就可以完成对LCD的动态交流显示驱动。时间间隔约5毫秒,间隔太长会有闪烁,可采用延时、查询等待及中断方式。
  先在MPLAB中将源程序汇编成.HEX文件,再用PIC烧录软件将.HEX文件写到PIC16F84中即可。虽然本学习套件占用了PIC16F84的全部I/O资源,但作为学习套件还是很有意义的。笔者用其烧写了数百次,至今仍在使用,非常可靠。采用上述方法编写的时钟程序,走时准确,并且耗电很低,工作电流不到1mA。由于笔者采用的不是通用的四位LCD液晶显示器,所以程序不具有通用性,如有兴趣,可发E-mail:jz21zfr@21cn.COM与我交流。

                                    湖北 曾凡若



1、 本站不保证以上观点正确,就算是本站原创作品,本站也不保证内容正确。
2、如果您拥有本文版权,并且不想在本站转载,请书面通知本站立即删除并且向您公开道歉! 以上可能是本站收集或者转载的文章,本站可能没有文章中的元件或产品,如果您需要类似的商品请 点这里查看商品列表!
本站协议 | 版权信息 |  关于我们 |  本站地图 |  营业执照 |  发票说明 |  付款方式 |  联系方式
深圳市宝安区西乡五壹电子商行——粤ICP备16073394号-1;地址:深圳西乡河西四坊183号;邮编:518102
E-mail:51dz$163.com($改为@);Tel:(0755)27947428
工作时间:9:30-12:00和13:30-17:30和18:30-20:30,无人接听时可以再打手机13537585389